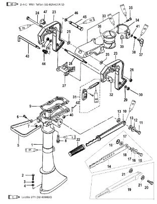
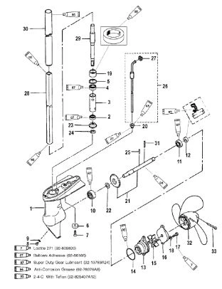
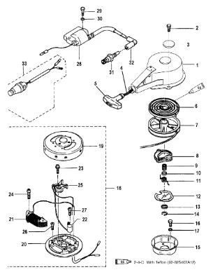
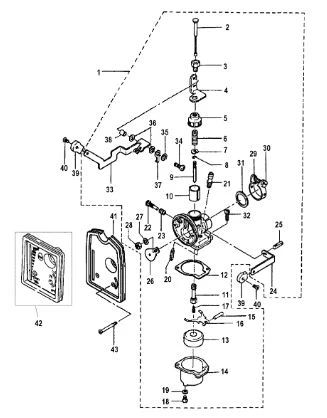
Запчасти для 2-х тактного ПЛМ MERCURY ME 2,5M Серийный номер от 0A855097 до 0G710612  в Братске: актуальный каталог, цены, фото, описание. Купите запчасти для 2-х тактного плм mercury me 2,5m серийный номер от 0a855097 до 0g710612 в кредит – оформите заявку онлайн за 1 минуту! 
	Вернем до 10% бонусами при оплате наличными или по счету. Бонусами можно оплатить 10% от стоимости при покупке экипировки, аксессуаров, запчастей, велосипедов и т.д. (все товары, кроме техники).
 
	Гарантируем цены ниже или вернем 110% разницы. 
Если вы нашли дешевле, сообщите нам, отправьте
ссылку на
		товар, мы проверим, если магазин является официальным дилером и обновления не является «приманкой с заниженной
		ценой», мы сделаем Вам скидку в 110% от разницы цены, у нас цена гарантированно будет ниже!