Каталог
Каталог Написать в WhatsApp
Мотоэкипировка

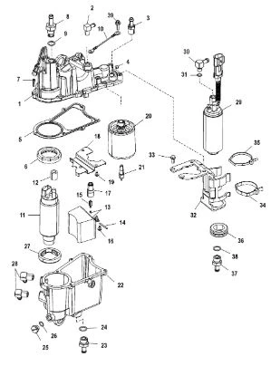
Паросепаратор 2-Х ТАКТНОГО ПЛМ MERCURY 150 PRO XS L OPTIMAX Серийный номер от 1B690542 и выше

Паросепаратор 2-Х ТАКТНОГО ПЛМ MERCURY 150 PRO XS L OPTIMAX Серийный номер от 1B690542 и выше в Братске: актуальный каталог, цены, фото, описание. Купите паросепаратор 2-х тактного плм mercury 150 pro xs l optimax серийный номер от 1b690542 и выше в кредит – оформите заявку онлайн за 1 минуту!

Оригинальные запчасти

Артикул НАИМЕНОВАНИЕ Кол-во деталей в узле Примечание Наличие Цена Аналоги Фото
1 859174T06 VAPOR SEPARATOR ASSEMBLY, Complete

Под заказ

1

Под заказ

уточнить

Купить
2 855432A06 COVER KIT

Под заказ

1

Под заказ

уточнить

Купить
3 8554246 FITTING

Под заказ

1

Под заказ

уточнить

Купить
4 881740 FITTING, Straight

Под заказ

1

Под заказ

уточнить

Купить
5 883252 Прокладка (GASKET)

Под заказ

1

Под заказ

уточнить

Купить
6 803878 Уплотнитель насоса верхний (SEAL)

Под заказ

1

Под заказ

уточнить

Купить
7 808612 Болт 8-32х0,75 (SCREW-FUEL BOWL)

Под заказ

7

Под заказ

уточнить

Купить
8 885186A1 FITTING KIT

Под заказ

1

Под заказ

уточнить

Купить
9 831985 O-RING, (.468 x .078)

Под заказ

1

Под заказ

уточнить

Купить
10 881831 Электрокабель (WIRE ASSEMBLY)

Под заказ

1

Под заказ

уточнить

Купить
11 855427A1 Бензонасос

Под заказ

1

Под заказ

уточнить

Купить
12 8M6000589 Втулка (SLEEVE)

Под заказ

1

Под заказ

уточнить

Купить
13 8M6004920 FLOAT KIT

Под заказ

1

Под заказ

уточнить

Купить
14 F10064 Шток поплавка паросепаратора (FLOAT SHAFT)

Под заказ

1

Под заказ

уточнить

Купить
15 8M6004917 VALVE-INLET

Под заказ

1

Под заказ

уточнить

Купить
16 8M6004918 VALVE/SEAT KIT

Под заказ

1

Под заказ

уточнить

Купить
17 889318002 BAFFLE, Fuel

Под заказ

1

Под заказ

уточнить

Купить
18 883223 SCREW, (M6 x 16)

Под заказ

3

Под заказ

уточнить

Купить
19 18458T4 Фильтр (FILTER KIT)

Под заказ

1

Под заказ

уточнить

Купить
20 8285861 Датчик воды в топливе (PROBE)

Под заказ

1

Под заказ

уточнить

Купить
21 855434T04 BOWL KIT

Под заказ

1

Под заказ

уточнить

Купить
22 880862A1 FITTING KIT

Под заказ

1

Под заказ

уточнить

Купить
23 880863 Уплотнительное кольцо (O-RING)

Под заказ

1

Под заказ

уточнить

Купить
24 855435A1 Сливная пробка паросепаратора (PLUG KIT)

Под заказ

1

Под заказ

уточнить

Купить
25 8M0062785 Уплотнительное кольцо (O RING)

Под заказ

1

Под заказ

уточнить

Купить
26 8554331 Уплотнитель насоса нижний (SEAL, Pump)

Под заказ

1

Под заказ

уточнить

Купить
27 8554245 ELBOW

Под заказ

2

Под заказ

уточнить

Купить
28 8M0047624 Топливный насос (PUMP ASSEMBLY)

Под заказ

1

Под заказ

уточнить

Купить
29 855802A1 ELBOW

Под заказ

1

Под заказ

уточнить

Купить
30 883551 Уплотнительное кольцо (O-RING)

Под заказ

1

Под заказ

уточнить

Купить
31 855756A1 BRACKET KIT

Под заказ

1

Под заказ

уточнить

Купить
32 1993716 Болт M6*16 (SCREW)

Под заказ

4

Под заказ

уточнить

Купить
33 850181 TIE STRAP, (11.750 Inches)

Под заказ

1

Под заказ

уточнить

Купить
34 856928 Уплотнительное кольцо (GROMMET)

Под заказ

1

Под заказ

уточнить

Купить
35 82130010 SCREW, (M6 x 10)

Под заказ

1

Под заказ

уточнить

Купить

Нулевая цена не означает отсутствие товара. Оформите заказ, и менеджер сообщит вам цену и наличие товара, предварительно запросив их у поставщика

Главная Магазины
Корзина0
Профиль